數控加工柔性好,自動化程度高,特別適宜加工輪廓形狀復雜的曲線,曲面零件,以及具有大量孔、槽加工的復雜箱體,棱體零件,在多品種、小批量生產情況下,使用數控機床加工能獲得較高的經濟效益。
數控加工工藝問題的處理與普通加工基本相同,但又有其特點。因此,在設計零件的數控加工工藝時,既要遵循普通加工工藝的基本原則和方法,又要考慮數控加工本身的特點和零件編程要求。
(1)零件裝夾方法的確與夾具選擇,數控機床上被加工零件的裝夾方法與一般機床上一樣,也要合理選擇定位基準和夾緊方案。在選擇精基準時,也要遵循“基準統一”和“基準重合”等原則,除此之外,還應考慮一幾點:
1) 聽盡量在一次定位夾緊中完成所有能加工的各表面的加工,為此要選擇便于各個表面都可被加工的定位方式。如對箱體零件,宜采用一面兩銷的定位方式,也可采用以某側面為導向基準,帶工件夾緊后將導向元件拆去的定位方式。
2)對于工件一次裝夾可完成工件上各個表面的加工,也可直接選用毛面作定位基準,只是這時毛坯的制造精度要求要高一些。
3)對于加工中心,工件在工作臺上的安放位置的確定要兼顧各個工位的加工,要考慮刀具長度及其剛度對加工質量的影響。如進行單工位單面加工,應將工件靠工作臺一側放置在工作臺的正中位置。這樣可減少刀桿伸出長度,提高具剛度。
4)數控加工中使用的夾具,其結構大多比較簡單,并應盡可能選用由通用元件拼裝的組合可調節夾具,以縮短生產準備周期。為了簡化定位、編程和對刀,保證工件能在正確的位置上按程序加工,必須協調工件、夾具與機床坐標系之間的尺寸關系。
(2)加工順序的安排,除了因按照“先面后孔”“先粗后精”等基本原則安排加工順序外,還應注意遵循以下原則:
1)為了件少換刀次數和時間,通常應按刀具集中工序。即在一次裝夾中,用同一把刀具加工完工件上所有需要壓該刀具加工的各個部位后,在換下一把刀具進行加工。對于加工中心,若換刀時間較工作臺轉位時間,則應采用相同工位集中加工完畢所有可以加工的待加工表面,然后在轉動工作臺去加工其他表面。
( 2)對于同軸度要求很高的孔系,應在一次定位后(同一工位下),通過順序連續換刀,順序連續加工完該孔系的全部孔后,在加工其他坐標位置的孔,以消除重復定位誤差的影響,提高孔系的同軸度。
(3) 對刀點和換刀點的確定,對刀點是數控加工時刀具相對于工件運動的起點。由于程序也是從這一點開始執行,所以對刀點也稱作程序起點或起刀點。編程時應首先考慮對刀點位置的選擇。
加工精度要求不高時,可直接用工件上或夾具上的某些表面作對刀面;加工精度要求較高時,對刀點應盡量選在零件的設計基準或工藝基準上,如以孔定位的零件,取孔的軸心作為對刀點就比較合適。
對刀點必須與工件的定位基準有一定坐標關系,這樣才能確定機床標系與工件坐標系之間的關系。對刀點的選擇應便于坐標值的計算,并使對刀方便。
對刀時,應是使對刀點與刀位點重合。所謂刀位點,對于平底立銑刀是指刀具軸線與刀具底面的交點;對于球頭銑刀是指球頭部分的球心;對于車刀是指刀尖;對于鉆頭是指鉆尖;對于線電極切割機床,則是指線電極軸心與零件面的焦點。
加工過程中需換刀時,應規定換刀點,換刀點的位置應根據換刀時不得碰傷工件、夾具以及機床的原則而設定。
(4)刀具進給路線的規劃,進給路線是指數控加工過程中刀具(刀位點)想對于被加工零件的運動軌跡,規劃進給路線時應遵循的原則是:
1)保證被加工零件獲得良好的加工精度和表面質量。
2)使數值計算工作簡單。
3 )使進給路線最短。
銑削平面零件輪廓時,一般采用立銑刀的側刃切削,為了保證工件的外形光滑,銑刀的切入和切出點應沿零件周邊外延布置(見圖4-3)如果銑刀沿零件輪廓法想直接切如零件,將在零件外形上留下明顯刀痕。

圖4-3 加工外輪廓的走刀路線
銑削平面零件內槽的封閉輪廓時,切入切出不能有外延部分。這時可沿零件輪廓的法線切入或切出,可能時其切入和切出點做好選在零件輪廓兩幾何元素的交點處。
輪廓加工中應避免進給停頓,因為加工過程中,工件、刀具、夾具以及機床等都有少量的彈性變形,進給停頓會使切削力減小,刀具將在工件表面留下凹痕。
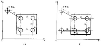
對于孔的位置精度要求高的零件,在精鏜孔系時,安排鏜孔路線一定要注意做到各孔的定位方向一致,避免反向間隙的影響。例如圖4-4a所示的進給路線,在加工孔Ⅳ時,X的反向間隙將影響Ⅲ-Ⅳ孔的孔距精度。若按圖b的進給路線,可使各孔的定位方向一致,故可提高孔距精度。

圖4-4 孔系加工的兩種走刀路線
(5) 刀具選擇,數控加工臺時費用高,為提高效益,數控加工對刀具提出了更高要求,不僅要剛性好,精度高,而且要尺寸穩定、耐用度高。調整方便。因此凡加工情況允許選用硬質合金刀具時,就不應選用高速鋼具刀。應盡量選用可轉位刀片以減少刀具磨損后的更換和預調時間,選用涂層刀具以提高耐磨性。精密鏜孔應選用性能更好更耐磨的金剛石和立方氧化硼刀具。
數控加工一般不采用鉆模,鉆孔剛度差,因此鉆孔前應選用大直徑鉆頭或中心先锪一個被錐坑或鉆一中心孔,作為鉆頭切入時的定心錐面,然后在用鉆頭鉆孔。
鉸孔采用浮動鉸刀,鉸前孔口要倒角,鉸刀兩刀刃對稱度要控制在0.02~0.05mm之內。
由于鏜孔是懸臂加工,為平衡徑向力,減輕鏜削振動,應采用對稱的兩刃或多刃鏜刀頭進行切削。精鏜應采用微調鏜刀。
(6)切削用量的確定,數控加工的切削用量選擇原則與普通加工相同。由金屬切削原理可知,在選擇切削用量時,應首先采用最大的切削深度,再選用大的進給量,然后根據確定的刀具耐用度選擇切削速度。對于數控加工,刀具耐用度至少應大雨加工完一個零件,或最少不低于半個工作班。
在輪廓加工中,應注意克服由于慣性或伺服系統的隨動誤差而造成輪廓拐角處的“超程”或“欠程”現象。為此,要選擇變化的進給量,即在接近拐角處應適當降低進給量,過拐角后在逐漸升高,以保證加工精度(見圖4-5)。
(7)程編誤差及其控制,程序編制中的誤差由逼近誤差、插補誤差和尺寸圓整誤差三部分組成。在點位數控加工中,編程誤差只包含尺寸圓整誤差,在輪廓加工中,程編誤差主要是插補誤差,尺寸圓整誤差所占的比例較小。
一般應控制尺寸圓整誤差不超過脈沖當量的一半。減小插補誤差的最簡單方法是密化補點,但這會增加程序段數目,增加計算、編程工作量、通常程編誤差應小于零件公碴的10%~20%。
























網站客服
粵公網安備 44030402000946號