60W,保護電路和芯片內部沒有防靜電措施。
500)this.width=500" border=0>
二、常發生的故障現象分析:
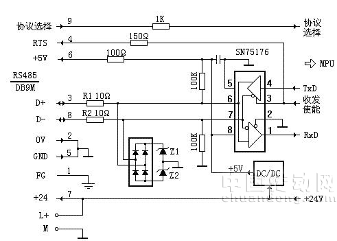
當PLC的RS485口經非隔離的PC/PPI電纜與電腦連接、PLC與PLC之間連接或PLC與變頻器、觸摸屏等通信時時有通信口損壞現象發生,較常見的損壞情況如下:
R1或R2被燒斷,Z1、Z1和SN75176完好。這是由于有較大的瞬態干擾電流經R1或R2、橋式整流、Z1或Z1到地,Z1、Z2能承受最大10A電流的沖擊,而該電流在R1或R2上產生的瞬態功率為:102×10=1000W,當然會將其燒斷。
SN75176損壞,R1、R2和Z1、Z2完好。這主要可能是受到靜電沖擊或瞬態過電壓速度快于Z1、Z2的動作速度造成的,靜電無處不在,僅人體模式也會產生±15kV的靜電。
Z1或Z2、SN75176損壞,R1和R2完好。這可能是受到高電壓低電流的瞬態干擾電壓將Z1或Z2和SN75176擊穿,由于電流較小和發生時間較短因而R1、R2不至于發熱燒斷。
由以上分析得知PLC接口損壞的主要原因是由于瞬態過電壓和靜電造成,產生瞬態過電壓和靜電的原因很多也較復雜,如由于PLC內部24V電源和5V電源共地,24V電源的輸出端子L+、M為其它設備混合供電可能導致地電位變化,從而造成共模電壓超出允許范圍。所以EIA-485標準要求將各個RS485接口的信號地用一條低阻值導線連接在一起以保證各節點的地電位相等,消除地線環流!
當帶電插拔未隔離的連接電纜時,由于兩端電位不相等電路中又存在諸多電感、電容之類的器件,插拔瞬間必然產生瞬態過電壓或過電流。
連接在RS485總線上的其它設備產生的瞬態過電壓或過電流同樣會流入到PLC,總線上連接的設備站點數越多,產生瞬態過電壓的因素也越多。
當通信線路較長或有室外架空線時,雷電必然會在線路上造成過電壓,其能量往往是巨大的,常有用戶沮喪地說:“聯網的幾十臺PLC全部遭打壞了!”。
三、 解決辦法:
1、從PLC內部考慮:
采用隔離的DC/DC將24V電源和5V電源隔離,我們分析了三菱、歐姆龍、施耐德PLC以及西門子的PROFIBUS接口均是如此。
選用帶靜電保護、過熱保護、輸入失效保護等保護措施完善的高擋次RS485芯片,如:SN65HVD1176D、MAX3468ESA等,這些芯片價格一般在十幾元至幾十元,而SN75176的價格僅為1.5元。
采用響應速度更快、承受瞬態功率更大的新型保護器件TVS或BL浪涌吸收器,如P6KE6.8CA的鉗制電壓為6.8V,承受瞬態功率為500W,BL器件則可抗擊4000A以上大電流沖擊。
R1和R2采用正溫度系數的自恢復保險PTC,如JK60-010,正常情況下的電阻值為5歐,并不影響正常通信,當受到浪涌沖擊時,大電流流過PTC和保護器件TVS(或BL),PTC的電阻值將驟然增大,使浪涌電流迅速減小。
2、從PLC外部考慮:
使用隔離的PC/PPI電纜,盡量不用廉價的非隔離電纜(特別是在工業現場)。西門子公司早期出產的PC/PPI電纜(6ES7 901-3BF00-0XA0)是不隔離的,現在也改成隔離的電纜了!
PLC的RS485口聯網時采用隔離的總線連接器,如PFB-G,速率為0~1.5Mbps自動適應,外形和使用方法與西門子非隔離的總線連接相同。
與PLC聯網的第三方設備,如變頻器、觸摸屏等的RS485口均使用RS485隔離器BH-485G進行隔離,這樣各RS485節點之間就無“電”的聯系,也無地線環流產生,即使某個節點損壞也不會連帶其它節點損壞。
RS485通信線采用PROFIBUS總線專用屏蔽電纜,保證屏蔽層接到每臺設備的外殼并最后接大地。
對于有架空線的系統,總線上最好設置專門的防雷擊設施。
西門子PLC的通信口易損壞原因分析和解決辦法淺談
時間:2009-11-17
來源:中國傳動網
導語:當西門子PLC的RS485口經非隔離的PC/PPI電纜與電腦連接、PLC與PLC之間連接或PLC與變頻器、觸摸屏等通信時時有通信口損壞現象發生,本文對其較常見的損壞情況做了淺析。
60W,保護電路和芯片內部沒有防靜電措施。
500)this.width=500" border=0>
二、常發生的故障現象分析:
當PLC的RS485口經非隔離的PC/PPI電纜與電腦連接、PLC與PLC之間連接或PLC與變頻器、觸摸屏等通信時時有通信口損壞現象發生,較常見的損壞情況如下:
R1或R2被燒斷,Z1、Z1和SN75176完好。這是由于有較大的瞬態干擾電流經R1或R2、橋式整流、Z1或Z1到地,Z1、Z2能承受最大10A電流的沖擊,而該電流在R1或R2上產生的瞬態功率為:102×10=1000W,當然會將其燒斷。
SN75176損壞,R1、R2和Z1、Z2完好。這主要可能是受到靜電沖擊或瞬態過電壓速度快于Z1、Z2的動作速度造成的,靜電無處不在,僅人體模式也會產生±15kV的靜電。
Z1或Z2、SN75176損壞,R1和R2完好。這可能是受到高電壓低電流的瞬態干擾電壓將Z1或Z2和SN75176擊穿,由于電流較小和發生時間較短因而R1、R2不至于發熱燒斷。
由以上分析得知PLC接口損壞的主要原因是由于瞬態過電壓和靜電造成,產生瞬態過電壓和靜電的原因很多也較復雜,如由于PLC內部24V電源和5V電源共地,24V電源的輸出端子L+、M為其它設備混合供電可能導致地電位變化,從而造成共模電壓超出允許范圍。所以EIA-485標準要求將各個RS485接口的信號地用一條低阻值導線連接在一起以保證各節點的地電位相等,消除地線環流!
當帶電插拔未隔離的連接電纜時,由于兩端電位不相等電路中又存在諸多電感、電容之類的器件,插拔瞬間必然產生瞬態過電壓或過電流。
連接在RS485總線上的其它設備產生的瞬態過電壓或過電流同樣會流入到PLC,總線上連接的設備站點數越多,產生瞬態過電壓的因素也越多。
當通信線路較長或有室外架空線時,雷電必然會在線路上造成過電壓,其能量往往是巨大的,常有用戶沮喪地說:“聯網的幾十臺PLC全部遭打壞了!”。
三、 解決辦法:
1、從PLC內部考慮:
采用隔離的DC/DC將24V電源和5V電源隔離,我們分析了三菱、歐姆龍、施耐德PLC以及西門子的PROFIBUS接口均是如此。
選用帶靜電保護、過熱保護、輸入失效保護等保護措施完善的高擋次RS485芯片,如:SN65HVD1176D、MAX3468ESA等,這些芯片價格一般在十幾元至幾十元,而SN75176的價格僅為1.5元。
采用響應速度更快、承受瞬態功率更大的新型保護器件TVS或BL浪涌吸收器,如P6KE6.8CA的鉗制電壓為6.8V,承受瞬態功率為500W,BL器件則可抗擊4000A以上大電流沖擊。
R1和R2采用正溫度系數的自恢復保險PTC,如JK60-010,正常情況下的電阻值為5歐,并不影響正常通信,當受到浪涌沖擊時,大電流流過PTC和保護器件TVS(或BL),PTC的電阻值將驟然增大,使浪涌電流迅速減小。
2、從PLC外部考慮:
使用隔離的PC/PPI電纜,盡量不用廉價的非隔離電纜(特別是在工業現場)。西門子公司早期出產的PC/PPI電纜(6ES7 901-3BF00-0XA0)是不隔離的,現在也改成隔離的電纜了!
PLC的RS485口聯網時采用隔離的總線連接器,如PFB-G,速率為0~1.5Mbps自動適應,外形和使用方法與西門子非隔離的總線連接相同。
與PLC聯網的第三方設備,如變頻器、觸摸屏等的RS485口均使用RS485隔離器BH-485G進行隔離,這樣各RS485節點之間就無“電”的聯系,也無地線環流產生,即使某個節點損壞也不會連帶其它節點損壞。
RS485通信線采用PROFIBUS總線專用屏蔽電纜,保證屏蔽層接到每臺設備的外殼并最后接大地。
對于有架空線的系統,總線上最好設置專門的防雷擊設施。
凡本網注明[來源:傳動網]的所有文字、圖片、音視和視頻文件,版權均為傳動網(www.cdcst56.com)獨家所有。如需轉載請與0755-82949061聯系。任何媒體、網站或個人轉載使用時須注明來源“傳動網”,違反者本網將追究其法律責任。
本網轉載并注明其他來源的稿件,均來自互聯網或業內投稿人士,版權屬于原版權人。轉載請保留稿件來源及作者,禁止擅自篡改,違者自負版權法律責任。
如涉及作品內容、版權等問題,請在作品發表之日起一周內與本網聯系,否則視為放棄相關權利。
關注伺服與運動控制公眾號獲取更多資訊
關注直驅與傳動公眾號獲取更多資訊
關注中國傳動網公眾號獲取更多資訊

新品上市 | 如何抵達Next Level?研祥智能M80B來了!
曾困擾于算力的瓶頸曾妥協于環境的苛刻……直到遇見了它--研祥智能M80B理想中的“工作好搭檔”在此刻具象化了
關鍵詞:2025-11-07
研祥智能亮相2025AFC高峰論壇,共迎軌交新未來!
未來,研祥智能將繼續以創新為驅動,與業界共同邁向智慧出行的未來。
關鍵詞:2025-11-07
造車還不夠?車企搶灘機器人賽道
車企正通過自研、投資、合作等多種方式競相布局機器人賽道。2025年10月,奇瑞召開全球創新大會,正式發布智能機器人墨茵。
關鍵詞:2025-11-06
固態電池大規模應用要等5-10年
11月6日消息,盡管固態電池已從實驗室邁向產業化,但大規模應用仍需耐心等待。
關鍵詞:2025-11-06
消息稱軟銀曾探索收購 AI 芯片企業 Marvell 美滿并將其與 Arm 合并
11 月 6 日消息,彭博社今日報道稱,軟銀集團今年早些時候曾考慮收購美國 AI 芯片制造商 Marvell 美滿并將其與同為軟銀控股的 Arm 合并的可能。
關鍵詞:2025-11-06
市值超2100億!今年最大造車IPO賽力斯登陸港交所
11月5日消息,今日,賽力斯正式登陸港交所,成為全國首家“A+H”股兩地上市的豪華新能源車企,開盤市值超2100億港元。
關鍵詞:2025-11-06
萬億賭局,人形機器人闖關IPO背后
多家企業集體沖刺IPO,讓人形機器人產業真正踏入了資本的主賽道。從概念展示到產品迭代、從技術突破到商業落地,行業的第一輪“資本化洗牌“正在...
關鍵詞:2025-11-06
早著呢!固態電池大規模應用要等5-10年
全固態電池要實現廣泛落地,至少還需5-10年,2030年后才逐步進入規模化階段,2035年全球需求才有望突破740GWh。
關鍵詞:2025-11-06
5G加速智能制造,也重塑物聯網安全版圖
制造業正經歷一場由5G與物聯網(IoT)共同驅動的深刻變革。5G與物聯網的融合為制造業帶來了前所未有的效率與創新潛力,但同時也重塑了網絡安全格局...
關鍵詞:2025-11-06
醫院負壓吸引過濾器 醫用除菌過濾器 醫院負壓吸引除菌過濾器
醫院負壓吸引過濾器 醫用除菌過濾器 醫院負壓吸引除菌過濾器
關鍵詞:2025-11-06
- 運動控制
- 伺服系統
- 機器視覺
- 機械傳動
- 編碼器
- 直驅系統
- 工業電源
- 電力電子
- 工業互聯
- 高壓變頻器
- 中低壓變頻器
- 傳感器
- 人機界面
- PLC
- 電氣聯接
- 工業機器人
- 低壓電器
- 機柜














網站客服
粵公網安備 44030402000946號