力宇 三相混合步進電機 LY573S50-05
企業信息
同類優質產品
更多+
產品分類
產品新聞
產品介紹
通用規格
步距精度: +5%(整步、空載)
溫升: 80°CMax
環境溫度: -10°C —— +50°C
絕緣電阻: 100MΩmin.500VDC
耐壓; 500VAC for one minute
徑向跳動: 0.06 Max.(450g-load)
軸向跳動: 0.08 max.(450g-load)
技術規格
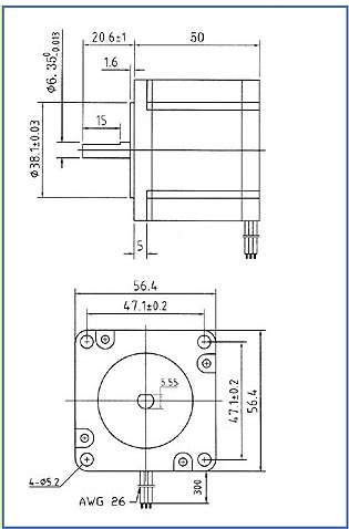
外形尺寸
接線圖
外形尺寸
接線圖
以上信息由企業自行提供,信息內容的真實性、準確性和合法性由相關企業負責,中國傳動網對此不承擔任何保證責任。 溫馨提示:為規避購買風險,建議您在購買產品前務必確認供應商資質及產品質量。
推薦產品
更多+





























網站客服
粵公網安備 44030402000946號