Powerstart 系列可控硅控制高壓軟起動器
企業信息
同類優質產品
更多+
產品分類
產品新聞
產品介紹
Powerstart系列高壓電機軟起動裝置可應用于各行各業,如冶金、石化、市政、建筑、消防、礦山等,廣泛應用于3KV、6KV、10KV等電壓等級的中高壓交流異步電機的不需要調速的場合。如用三相異步電動機來驅動的鼓風機、泵和壓縮機的軟起動和軟停止。也可用來控制帶有變速機構、皮帶或鏈帶傳動裝置的設備,如傳送帶、磨床、刨床、鋸床、包裝機和沖壓設備等。
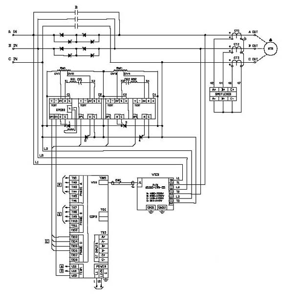
系統原理
結合了電力電子技術、光電技術、控制技術和微處理器技術,是專為三相鼠籠式異步電動機而設計的一種全數字智能化起動設備。基本原理是通過對功率器件即可控硅的控制而實現對電機的起動控制。根據用戶的需要可以對電機的供電電壓、電流進行控制,使供給電機的電壓或電流按照預定的斜坡曲線從零達到額定值,使電機的起動過程變得平穩。從而降低對電機電源的容量要求,并減少對供電電網的影響和電機本身的機械沖擊。
主要由三部分組成:
1、主功率回路
主要由可控硅串和旁路接觸器組成,通過控制可控硅的開關以實現對交流三相電源進行斬波,控制輸出電壓的幅值,并在啟動過程完成后將高壓電機軟啟動裝置切換到旁路狀態;
系統原理圖
2、控制和保護電路
包括由微控制器組成的數字電路、由光纖組成的光電隔離電路、可控硅觸發電路、電流檢測和電壓檢測電路、溫度檢測電路等等,是核心部分,控制晶閘管的導通和關閉,從而完成對電機的起動和停車的理想化的控制;
3、人機界面單元
主要由液晶和鍵盤組成。用以實現用戶的參數設置、選擇起動方式、顯示設備的運行狀態等,給用戶提供簡單易用的人機界面。
功能特點
1、具有靈活的多種起動方式選擇,包括:標準軟起動、雙斜坡軟起動、限流軟起動、帶突跳的泵控起動、預置低速起動和全速起動。
2、具有完整的保護功能,保證電機可靠運行。包括:過壓、欠壓、過載、過流、缺相、電流不平衡、過熱、接地等。
3、采用進口的功率組件,具有高可靠性和高穩定性。
4、緊湊的結構設計,體積更小,外形更美觀。
5、高、低壓間采用光纖接口,具有良好的隔離和可靠的觸發作用。
6、具有良好的人機界面,使操作更簡單直觀。
7、周到的售前和售后服務,為用戶提供最優化的解決方案。
系統原理圖
2、控制和保護電路
包括由微控制器組成的數字電路、由光纖組成的光電隔離電路、可控硅觸發電路、電流檢測和電壓檢測電路、溫度檢測電路等等,是核心部分,控制晶閘管的導通和關閉,從而完成對電機的起動和停車的理想化的控制;
3、人機界面單元
主要由液晶和鍵盤組成。用以實現用戶的參數設置、選擇起動方式、顯示設備的運行狀態等,給用戶提供簡單易用的人機界面。
功能特點
1、具有靈活的多種起動方式選擇,包括:標準軟起動、雙斜坡軟起動、限流軟起動、帶突跳的泵控起動、預置低速起動和全速起動。
2、具有完整的保護功能,保證電機可靠運行。包括:過壓、欠壓、過載、過流、缺相、電流不平衡、過熱、接地等。
3、采用進口的功率組件,具有高可靠性和高穩定性。
4、緊湊的結構設計,體積更小,外形更美觀。
5、高、低壓間采用光纖接口,具有良好的隔離和可靠的觸發作用。
6、具有良好的人機界面,使操作更簡單直觀。
7、周到的售前和售后服務,為用戶提供最優化的解決方案。
以上信息由企業自行提供,信息內容的真實性、準確性和合法性由相關企業負責,中國傳動網對此不承擔任何保證責任。 溫馨提示:為規避購買風險,建議您在購買產品前務必確認供應商資質及產品質量。
推薦產品
更多+
靈猴 直線電機 MPS95
靈猴 直線電機 LPS210
靈猴 直線電機 LPS170
靈猴 直線電機 LPS140
靈猴 有鐵芯直線電機
靈猴 有鐵芯直線電機
































網站客服
粵公網安備 44030402000946號