時間:2010-10-11 14:42:08來源:majuan
1 引言
隨著城市排水泵站的不斷建設,城市排水集團面臨的監管要求也在不斷的增加。由于各個泵站分散廣泛,中心在實時監控、管理泵站運行情況時就迫切的需要建立一個遠程監控系統來實時掌握泵站運行狀況。同時,根據現場數據分析出各個泵站點的運行規律,提前對一些規律性的情況(如雨季)做出調度方案,也是排水集團優化運營的一個新要求。
2系統概述
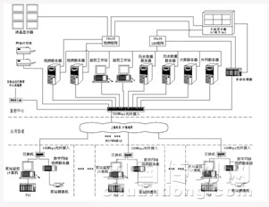
本文以上海奉賢排水運營中心遠程監控調度系統為例介紹了以亞控公司工業自動化軟件為基礎搭建遠程監控調度系統,項目采用的是KingView6.53和工業實時數據庫Kinghistorian軟件。項目采用C/S架構,其系統架構如下圖所示。

系統架構圖
遠程監控調度系統對于系統的安全性、穩定性要求都比較高。尤其是在泵站監控系統中,泵站操作運行可靠性直接關系到城市安全和人民效益。在該系統的設計中充分考慮技術先進性和操作安全可靠性,對監控工作站和工業實時數據庫做了冗余,保證在異常狀態下,數據傳輸的的連續性和完整性。
3 系統功能
1) 畫面全集成功能
系統支持全集成的畫面展示,所有服務器上的數據信息、視頻信息、實時數據、歷史數據和報警數據在同一畫面上進行顯示(圖1)。并且通過查找某一信息,即可得到與該信息相關聯的其他信息。如,通過查找某設備的視頻信息可以得到該設備的實時數據、歷史數據、報警數據等。

圖1
1) 歷史趨勢曲線
趨勢曲線能以圖形方式觀察一段時間內的過程狀態和趨勢,在一個趨勢曲線窗口可同時顯示多個過程參數。對關鍵數據的趨勢進行分析,趨勢變化速率超過上、下限值時向各工作站值守人員發出報警信號。
2) 報警功能
系統具有強大的報警系統,能夠對實時、歷史的報警和事件進行顯示、存儲、查詢等操作,并能夠及時通知操作人員,幫助用戶進行故障監控和決策制定。
支持多種報警顯示窗口,包括實時報警窗口、歷史報警窗口和查詢窗口。實時報警窗口顯示最新的報警信息,報警信息被確認或恢復后,報警信息隨之消失。歷史報警窗口顯示歷史報警事件,包括以往的歷史報警信息、報警確認信息和恢復信息,報警事件的來源是報警緩存區。查詢窗口能夠查詢報警庫中的報警事件,報警事件來源是報警庫。
支持多種報警查詢條件,對報警信息的查詢,可以按報警時間查詢、報警類型查詢、按記錄類型查詢等等。支持完全基于SQL的標準化查詢語句。
3) 報表功能
獨立的報表,為工程設計復雜的工程報表。
操作人員可以在遠程瀏覽查看全部的報表數據。包括操作人員的工況事件記錄,現場或遠程操作人員登錄系統的時間,以及在系統內部的操作事件流程,按照時間先后順序生成二維表(圖2)。

圖2
1) 數據采集功能
數據采集程序支持雙鏈路冗余、雙設備冗余、N+1采集器冗余,并能夠提供數據緩存功能,以保障在客戶端的通訊失敗時,采集服務器能夠把采集的數據緩存到本地,以保障數據沒有丟失。
各分控站的設備數據采集完成現場設備的數據采集,采用組態式采集配置;支持動態在線的設備維護、變更、添加;支持開放的API、SDK、OLE DB等數據接口,用戶可以通過這些接口開發數據訪問應用。數據采集后分別傳送到分控站的現地監控平臺和控制中心。
2) 雙機冗余功能
監控站采用雙機熱備的工作方式,系統能夠實現冗余系統的自動切換,切換完成的時間在1s以內,同時對冗余系統的狀態進行表示和告警。
當主機發生故障時,系統自動切換到從機進行工作。一旦主機恢復正常,從機自動恢復主機由于停機期間丟失的數據,包括實時數據、報警數據、歷史數據,從而保證實時數據、報警數據、歷史數據的高度完整性。
4結束語
Kingview是一款具有多任務、多線程,可確保實時性,不丟失任何重要數據的優秀組態軟件。工業實時數據庫KingHistorian是一款對海量實時數據,歷史數據具有高效并發存儲與查詢的數據庫軟件。本文結合上海市奉賢區排水運營中心的實際情況,以亞控軟件Kingview和KingHistorian等產品為基礎設計出滿足上海市奉賢區排水運行管理中心的運營需求的一整套成熟的解決方案。該系統具有一定的靈活性,易于擴充,經過一段時間的運行,系統穩定可靠,得到用戶的認可和信賴。
標簽:
上一篇:亞控軟件在大型水利泵站監控...
傳動網版權與免責聲明:凡本網注明[來源:傳動網]的所有文字、圖片、音視和視頻文件,版權均為傳動網(www.cdcst56.com)獨家所有。如需轉載請與0755-82949061聯系。任何媒體、網站或個人轉載使用時須注明來源“傳動網”,違反者本網將追究其法律責任。
本網轉載并注明其他來源的稿件,均來自互聯網或業內投稿人士,版權屬于原版權人。轉載請保留稿件來源及作者,禁止擅自篡改,違者自負版權法律責任。
產品新聞
更多>2025-10-22
2025-10-17
2025-10-11
2025-10-09
2025-09-23
2025-09-23