清大曙光 WSJ蝸輪蝸桿減速機
企業信息
同類優質產品
更多+
產品分類
產品新聞
產品介紹
WSJ蝸輪減速機為單級傳動的阿基米德圓柱蝸桿減速機,結構緊湊,體積小,重量輕,傳動平穩、靈活,無沖擊,無噪音,具有自鎖作用,使用方便。適用于化工、冶金、礦山、紡織、食品、醫藥等行業的各種機械設備上。
適用范圍
1.蝸桿嚙合處滑動速度不大于7.5m/s;
2.蝸桿轉速不超過1500r/min;
3.工作環境溫度為-40℃~+50℃;
4.可用正反兩向運轉。
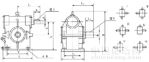
WSJ蝸輪減速機型號
WXJWSJ35、45、50、55、60、70,80、90、100、120、150、180、210、250、300。

| 型號 | A | H1 | H | B | B1 | C | C1 | 4--Φ | L1 | L2 | L3 | L4 | d1 | 鍵I | d2 | 鍵II |
| WSJ80 | 80 | 200 | 275 | 210 | 160 | 145 | 115 | 4—Φ13 | 181 | 50 | 152 | 50 | Φ22 | 6×40 | Φ30 | 8×42 |
| WSJ100 | 100 | 240 | 330 | 250 | 180 | 180 | 140 | 4—Φ18 | 191 | 50 | 176 | 65 | Φ30 | 8×42 | Φ40 | 12×55 |
| WSJ120 | 120 | 270 | 360 | 275 | 200 | 200 | 150 | 4—Φ18 | 218 | 56 | 187 | 78 | Φ30 | 8×50 | Φ45 | 14×70 |
以上信息由企業自行提供,信息內容的真實性、準確性和合法性由相關企業負責,中國傳動網對此不承擔任何保證責任。 溫馨提示:為規避購買風險,建議您在購買產品前務必確認供應商資質及產品質量。
推薦產品
更多+




























網站客服
粵公網安備 44030402000946號