奧巴特爾 稱重傳感器LSZ-A06
企業信息
同類優質產品
更多+
產品分類
產品新聞
產品介紹
LSZ-A06稱重傳感器
型號:LSZ-A06
規格:
市場價:0.00
優惠價:0.00
點擊數:134
錄入時間:2011-05-2414:51:14
產品簡介:⊙承受拉、壓力均可,輸出對稱性好,具有過載保護裝置?!丫雀摺⒔Y構緊湊,規格齊全?!堰m用于配料秤、機電結合秤、吊鉤秤、包裝秤及其它力值的測量與控制。
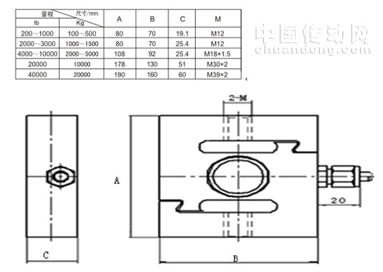
量程
100,200,300,500kg
1,2,3,5,10,20t
|
額定載荷
|
100~20000kg
|
|
綜合精度
|
0.02(線性+滯后+重復性)
|
|
靈敏度
|
2.0mV/V
|
|
蠕變
|
±0.02%F·S/30min
|
|
零點輸出
|
±1?。·S
|
|
零點溫度影響
|
±0.02%F·S/10℃
|
|
輸出溫度影響
|
±0.02%F·S/10℃
|
|
工作溫度
|
-20℃~+65℃
|
|
輸入阻抗
|
380±10 Ω
|
|
輸出阻抗
|
350±3 Ω
|
|
絕緣電阻
|
〉5000MΩ
|
|
安全過載
|
150% F·S
|
|
供橋電壓
|
建議10VDC
|
|
材質
|
合金鋼
|
|
接線方式
|
輸入(+):紅線 輸入(-):黑線
|
|
|
輸出(+):綠線 輸出(-):白線
|

以上信息由企業自行提供,信息內容的真實性、準確性和合法性由相關企業負責,中國傳動網對此不承擔任何保證責任。 溫馨提示:為規避購買風險,建議您在購買產品前務必確認供應商資質及產品質量。
推薦產品
更多+






























網站客服
粵公網安備 44030402000946號