西門機電 SEMEM FR12型電子式流量開關
企業信息
西門機電溫馨提示:SEMEM FR12型電子式流量開關,又名熱差式流量開關,熱式流量開關。設定范圍1…20m/s,輸出繼電器(230VAC,4A),無壓力損失,適用多種流體介質,簡明直觀的指示,高可靠性。
西門機電SEMEM FR12型電子式流量開關
(熱差式)

原理,結構
基于熱式原理,在封閉的探頭內包含兩個電阻,其中一個被加熱作為探測電阻,另一個未被加熱作為基準電阻,當介質流動時,加熱電阻上的熱量被帶走. 電阻值被改變.兩個電阻差值被用作判斷流速的依據.
特點
無活動部件,免維護,安裝方便,一種型號適用多種管徑要求.開關量連續可調, 極低的壓力損失,結構緊湊.LED 顯示流動趨勢及開關狀態。.
應用
氣液兩用型,可用于氣動和液壓系統,可用于循環水、切削液及潤滑油的斷流監測,以及泵的空轉保護。
技術參數
△設定范圍:1…150cm/s( 水),3…300cm/s(油),20…2000cm/s(空氣)
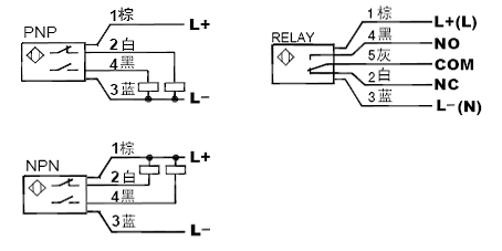
△信號輸出:PNP,NPN,繼電器,常開+常閉(SPDT)
△供電:24V±20%DC 或230V±15%AC
△接通電流:最大400 mA(PNP 或NPN 型),最大4A(繼電器型)
△空載電流:最大80mA
△流量指示:LED 排(6個)
△設定方式:電位計設定
△耐壓范圍: 100bar
△溫度梯度: 4℃/s
△響應時間:1--13s,典型值2s
△初始化時間: 8s
△電氣保護: 反相,短路,過載保護
△防護等級: IP67
△介質溫度:-20--80℃
△環境溫度:-20--80℃
△儲存溫度:-20--100℃
△接線方式:M12 接插件/直接附2米線(可選)
△材質: 探頭:不銹鋼,外殼:PBT
△重量:0.4kg
尺寸圖

G1/4或G1/2 連接螺紋
安裝


當垂直安裝時,應裝在由下至上流動的管段上; 當水平安裝時,探頭應避開空氣和沉淀物。
電氣連接

LED功能及設定
紅色LED亮:斷流或流速低于設定值,開關釋放,或模擬量處于4Ma,
黃色LED亮:流速等于設定值,開關動作,
黃色及綠色LED亮:流速大于設定值,綠燈變亮越多表明流速越大。

將流量開關裝好,使介質以需要監測的流速流動,調整電位計,使第一個綠色LED恰好變亮。此后當流速低于當前值時,開關就釋放。 若要使開關點比當前流速小,可調整電位計使綠色LED多亮一些。
型號
| 型號舉例 | 產品描述 |
| FR12-G12H-DC-RQ | G1/2 連接,DC24V供電,繼電器輸出 |
| FR12-G12H-WC-RC | G1/2 連接,AC220V供電,繼電器輸出 |
以上信息由企業自行提供,信息內容的真實性、準確性和合法性由相關企業負責,中國傳動網對此不承擔任何保證責任。 溫馨提示:為規避購買風險,建議您在購買產品前務必確認供應商資質及產品質量。
































網站客服
粵公網安備 44030402000946號