帕羅肯 G-1131通用型隔離,配電分配器(一進兩出)
企業信息
G-1131通用型信號隔離分配器、配電器完全可以代替PR-112和PR-312,頂端的撥件開關方便您在兩線制和四線制之間互換,方便現場使用。24Vdc供電,輸入、輸出、電源、通道間全隔離,一入兩出,超薄外殼(12.5mm)寬溫度范圍使用(-20-85℃)。
ISOTRANS—G-1131
隔離/分配4—20mA標準信號
產品介紹:
G-1131通用型隔離分配﹑配電分配器是PARAGON(帕羅肯公司)提供的一款高功能﹑高可靠性接口技術產品。
G-1131隔離分配器用于4-20mA標準信號的隔離﹑轉換和分配。輸入和兩路輸出中每一個都可以單獨配置。通過訂貨號選擇信號組合。其高可靠性以及成本最佳化設計使得G-1131成為此類產品的首選。
厚度僅為12.5mm的小巧外殼節省開關柜空間。此外,實用的插入式接線端子使得裝配更容易。該產品頂面配備一個撥鍵開關,用于選擇輸入設備2線和4線,從而確定開關位置。
高度絕緣的保護性隔離可以保護維修人員和下游設備安全,防止不可接觸的高電壓造成損壞,并且G-1131普遍的適用于各種測量和工業應用。
3年質保期:
自交貨之日起三年內,如果發現任何缺陷,將在我們的工廠得到免費維修(運費由用戶承擔)
產品優勢:
● 范圍固定/2線4線儀表信號可選
現成可用,不需要進行任何調節和設置.產品頂面帶設置撥鍵,可據儀表制式選擇.
● 4端口隔離
防止由于寄生電壓或接地回路而引起的錯誤測量
● 超小尺寸外殼
厚度為12.5mm外殼,帶有插入式螺旋接線端子,方便安裝使用
● 保護性隔離
3000V隔離電壓,有效保護維修人員和下游設備安全,防止不可接觸的高電壓造成損害。
● 最大可靠性/低功耗技術
無需維護成本。功率損耗很低,這是避免自然生熱和組件老化﹑獲取高精度可靠性和長期穩定性的重要因素。
技術規格:
|
輸入 |
||
|
輸入信號四線制1 |
0(4)…20mA,0…5(10)V… |
|
|
輸入電阻 |
電流輸入 100Ω |
|
|
過 載 |
電流輸入 ≤100mA |
|
|
輸入信號兩線制2 |
4…20mA |
|
|
輸入端配電電壓 |
26V-28V |
|
|
輸出 |
||
|
輸出信號 |
0(4)…20mA/1-5V |
|
|
負 載 |
0-500Ω |
|
|
響應時間 |
大約10ms@500Ω負載 |
|
|
波 紋 |
<10mVrms |
|
|
技術參數 |
||
|
|
輸出為電流時 |
|
|
負載誤差 |
+0.05%F.S/100Ω在負載<250Ω時 |
|
|
溫度系數 |
< 50PPM/℃ |
|
|
測試電壓 |
2.5kV,50Hz輸入/輸出端之間 |
|
|
耐壓強度 |
500VDC時100MΩ以上,2000VAC/分鐘 |
|
|
工作電壓(絕緣) |
最大600VDC時100MΩ以上,3000VAC/分鐘 |
|
|
環境溫度 |
工作 |
-25~+85℃ |
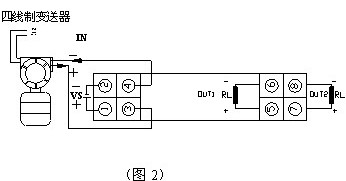
G-1131外形接線圖圖

原理圖及接線圖:


*提示1 :前端為2線制儀表時,將產品頂面開關拔至2wire端,如(圖1)


以上信息由企業自行提供,信息內容的真實性、準確性和合法性由相關企業負責,中國傳動網對此不承擔任何保證責任。 溫馨提示:為規避購買風險,建議您在購買產品前務必確認供應商資質及產品質量。
































網站客服
粵公網安備 44030402000946號