臺灣禾達SPM-SS-05同步伺服馬達系列
企業信息
同類優質產品
更多+
產品分類
產品新聞
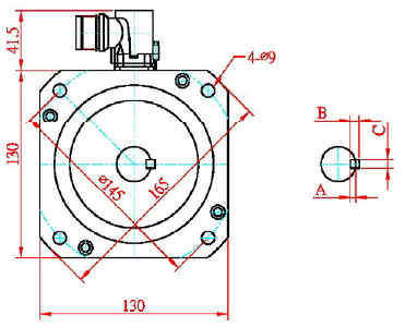
產品介紹
特點:
▲從200W-15KW完整的產品系列,提供多樣化的選擇。
▲搭配高解析度回授元件,RESOLVER、ENCODER、增量型/絕對型編碼器。
▲解析度從65536至400萬(單轉),均可依客戶應用而做彈性調整。
▲支援多功能的控制界面,可設定數位及類比I/O。
▲并有標準RS232/RS485介面可做多軸控制。
▲并有內建可省除上位控制(PLC),可提供客戶最佳性價比的產品。
▲適用于機械自動化CNC工作母機、铇、銑、磨、鏜床等精密機械運用。
▲采用精密的整列線圈,實現高效率和小型化。
型號:

SS05-10-8-R00-2000
SS05-15-8-R00-3000





詳細內容請點擊下載: 臺灣禾達交流伺服驅動器產品說明
以上信息由企業自行提供,信息內容的真實性、準確性和合法性由相關企業負責,中國傳動網對此不承擔任何保證責任。 溫馨提示:為規避購買風險,建議您在購買產品前務必確認供應商資質及產品質量。
推薦產品
更多+
臺灣禾達SPM-SS-03同


























網站客服
粵公網安備 44030402000946號