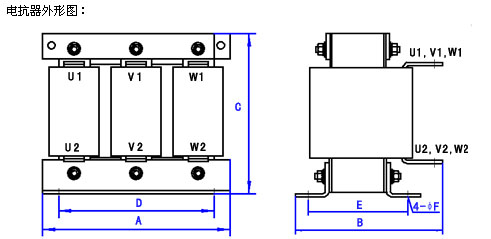
銀利 進線電抗器
企業信息
同類優質產品
更多+
產品新聞
產品介紹
產品說明:
1、額定工作電壓:φ3/380V/50Hz;
2、抗電強度:鐵芯-繞組 2500VAC/50Hz/5mA/60S無飛弧擊穿;
3、絕緣電阻:鐵芯-繞組 500VDC,絕緣阻值≥100MΩ;
4、電抗器噪音小于70dB(與電抗器水平距離點1米測試);
5、溫升小于70K;
6、產品執行標準:IEC289:1987 電抗器
GB10229-88 電抗器(eqv IEC289:1987)
JB9644-1999 半導體電氣傳動用電抗器

以上信息由企業自行提供,信息內容的真實性、準確性和合法性由相關企業負責,中國傳動網對此不承擔任何保證責任。 溫馨提示:為規避購買風險,建議您在購買產品前務必確認供應商資質及產品質量。
推薦產品
更多+






























網站客服
粵公網安備 44030402000946號