臥龍 WLdrive-HV和MV系列高壓變頻器
企業信息
系統原理
(一)原理介紹
WLdrive-HV和MV系列高壓變頻器采用功率單元串聯技術,實現3kV、6kV、10kV電壓輸出,屬于高-高電壓型變頻器。如圖, 電網電壓經過移相變壓器后給功率單元供電,功率單元為三相輸入、單相輸出的交—直—交SPWM電壓源型逆變器結構;各功率單元輸出SPWM信號進行疊加輸出高壓。其中WLdrive-HV系列變頻器采用了大功率高壓3300V IGBT器件,單元串聯級數明顯減少,從而使得變頻器具有結構簡單、體積小、運行可靠性高等諸多優點。

控制器采用最新的嵌入式ARM處理器、超大規模集成電路可編程器件(FPGA)為核心,配合數據采集、單元控制和光纖通信回路以及內置的可編程邏輯控制器(PLC)共同構成系統控制部分。

(二)結構組成:
WLdrive-HV和MV系列高壓變頻器結構簡潔,如圖主要由旁路柜(可選)、變壓器柜、功率柜和控制柜組成。
旁路柜:旁路柜有手動旁路柜或自動旁路柜兩種,是用戶的可選配件。主要實現高壓變頻主體部分檢修時,給高壓電機直接接入原工頻系統提供回路。
變壓器柜:電網經過變壓器柜中的移相變壓器分別給各功率單元供電,由于采用移相多重化設計,從而大大減少諧波對電網的影響。
功率柜:有多個三相輸入、單相輸出的SPWM逆變器結構,通過單元串聯方式實現高壓輸出。
控制柜:完成變頻調節的全過程控制,變頻器的電氣保護及人機交互與通訊接口功能的實現。

功能特點:
(一)系統功能
用戶管理:
為了保證操作的安全性,產品出廠時建立了統一的管理模式。修改或查看變頻器運行參數時,首先要進行身份辨別,檢查用戶權限,防止越權操作,避免因人為誤操作原因帶來的系統不穩定因素。
參數設定功能
WLdrive系列高壓變頻器具有參數設定、跳變頻率設置、V/F曲線設置、一鍵恢復出廠設置等功能,在出廠之前已設置相關的參數值,可根據現場的工況進行修定。
控制方式:
就地控制
完成調試、設定、運行等操作并進行監視。
遠程控制
通訊方式
以通訊方式提供RS485、以太網、PROFIBUS等接口與上位機或DCS連接。
硬接線方式
提供啟動、停止等開關量;轉速設定、速度反饋等模擬量與控制系統連接。
故障查詢功能
WLdrive系列高壓變頻器具有故障定位與查詢功能;發生故障時,變頻器會在主界面上彈出報警信息,并向控制系統發出報警信號,用戶可以通過人機界面查詢故障信息和歷史記錄。
旁路功能
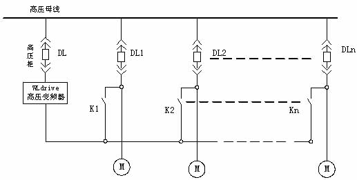
如果K1、K2、K3采用單刀隔離刀閘,用戶可以進行手動旁路功能操作,K1,K2閉合,K3斷開時,電機可以由變頻器控制調速運行。K1、K2斷開,K3閉合,電機運行在工頻狀態,便于現場對變頻器的維護與檢修。如果 K1、K2、K3 都采用真空接觸器,則可以實現互鎖和自動旁路功能。
(二)標準輸入輸出接線圖:
(三)接線端口說明


(四)產品特點
簡潔可靠
單元與控制部分的通訊采用光纖,外圍控制部件采用PLC,主回路選用全進口器件等技術保證了高壓變頻器可靠性。HV系列高壓變頻器因采用3300V IGBT使結構更簡潔、過載能力更強、電壓波動范圍更寬、允許環境溫度更高,從而達到了更高的可靠性。
低諧波
采用18、30、36、48等脈波整流,使輸入電流諧波<1%,輸出電壓諧波<2.35%;變頻器產生的諧波符合并優于中國“GB/T 14549電能質量公用電網諧波”及“IEEE519”國際標準的規定。
風冷設計
獨特的風道設計,使運行最高環境溫度可達45℃,冷卻風機采用原裝進口EBM風機,其平均無故障連續運行時間大于100000小時
控制部分雙電源切換
控制電源(220V AC)采用在線式UPS供電,UPS的輸入一路來自用戶,另一路來自主回路移相變壓器,可相互切換。切換過程中不影響系統的運行。
模塊化設計
單元采用模塊化設計,可任意互換、拆裝方便
技術參數
應用方案
1、一拖一方案
一臺變頻器驅動一臺電機。一次回路圖如下:

2、一拖多方案
一臺變頻器分別啟動多臺電機,并調速驅動任一臺電機以滿足工況要求和節能目的。一次回路圖如下:

應用領域
WLdrive高壓變頻器具有優良的調速性能和高節能率,適用于高壓大中型電機的調速節能領域。范圍包括了1kV~10kV電壓等級,200kW~5000kW電機容量??蓮V泛應用于電力、冶金礦產、建材、石油化工等工業領域中的風機與水泵及其他類負載的節能調速。主要應用如下:
火力發電
引風機、送風機、一次風機或排粉風機、凝結水泵、灰漿泵、給水泵、循環泵等;
冶金礦產
通風風機、除塵風機、鼓風機、離心進料泵、除垢泵、沖渣泵、冷卻循環泵、提升機、空壓機、傳送帶等;
建材
窯爐引風機、窯爐供氣風機、壓力送風機、冷卻器吸塵風機、冷卻器排風風機、分選器風機、主吸塵風機等;
石油和化工
主管道泵、注水泵、鹵水泵、鍋爐給水泵、氣體壓縮機、擠壓機等;
市政工程
供水泵、取水泵、熱網循環水泵、污水泵、靜化泵、清水泵、瀑氣機等;
其他
風洞試驗、遂道通風、引水、發酵、打漿等工況中使用的風機、水泵。
服務承諾
1、提供與合同設備有關的工程設計、安裝、調試、試運行等相應過程的優質服務
2、負責對需方運行、維護人員及工程技術人員進行培訓。
3、保修一年,終身維護,公司將在接到通知8小時之內響應。
以上信息由企業自行提供,信息內容的真實性、準確性和合法性由相關企業負責,中國傳動網對此不承擔任何保證責任。 溫馨提示:為規避購買風險,建議您在購買產品前務必確認供應商資質及產品質量。
嶸創技術 嶸創技術 電
西安諾爾頓科技有限公
英威騰 Goodrive5000
RNHV智能型高壓變頻調
RNHV智能型高壓變頻調
珠峰ACI-中高壓變頻器



































網站客服
粵公網安備 44030402000946號