網站導航
PLC
運動控制
嵌入式系統
人機界面
控制器
伺服電機
伺服驅動器
編碼器
直驅驅動器
直驅電機
反饋系統
中低壓變頻器
高壓變頻器
機械傳動
執行機構
工業電機
儀器儀表
機器視覺
傳感器
工業以太網
現場總線
工控機
工業交換機
工業通訊
DCS
工業軟件
逆變器
電氣連接
低壓電器
工業電源
機柜
電力電子
人形機器人
工業機器人
工業機械手
機床設備
激光設備
其他機械設備
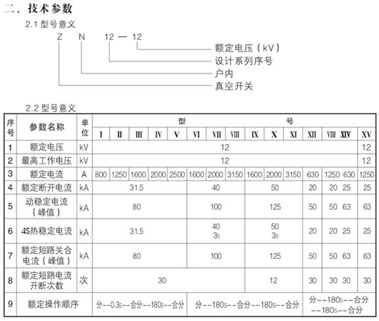
西安開關 ZN12系列真空斷路器
產品型號
廠商性質 生產商
公司名稱西安真空開關廠
地 址西安市魚化寨二府莊工業園富源二路
聯系人:路先生 029-84365030
聯系我時,請說明是在傳動網上看到的,謝謝!
企業信息
西安真空開關廠
普通會員第18年
公司類型: 生產商
主運營:高壓真空斷路器、高壓開關柜、SF6負荷開關
所在地區:西安市
注冊時間:2008-01-14
以上信息由企業自行提供,信息內容的真實性、準確性和合法性由相關企業負責,中國傳動網對此不承擔任何保證責任。 溫馨提示:為規避購買風險,建議您在購買產品前務必確認供應商資質及產品質量。
網站簡介|會員服務|聯系方式|幫助信息|版權信息|網站地圖|友情鏈接|法律支持|意見反饋|sitemap
傳動網-工業自動化與智能制造的全媒體“互聯網+”創新服務平臺
網站客服服務咨詢采購咨詢媒體合作
Chuandong.com Copyright ?2005 - 2025 ,All Rights Reserved 深圳市奧美大唐廣告有限公司 版權所有 粵ICP備 14004826號 | 營業執照證書 | 不良信息舉報中心 | 粵公網安備 44030402000946號