杰特 RTB404-12軌道安裝式接線端子
企業信息
同類優質產品
更多+
產品分類
產品新聞
產品介紹
RTB404-12軌道安裝式接線端子技術參數:
厚度/寬度(mm): 8.2 / 72.5
高度(JNS35/7.5 / JNS35/15 JNS32): 56.5 / 64 / 61.5
RTB404-12軌道安裝式接線端子電氣規格:
電壓/電流/截面積 (V)/(A)/(mm2): 800 / 6.3 / 4
RTB404-12軌道安裝式接線端子電線規格:
剛性導線 (mm2): 0.2-4
柔性導線 (mm2): 0.2-4
美制線規 AWG: 24-12
螺釘/扭矩 -/(Nm): M3/0.5-0.8
剝線長度 (mm): 8
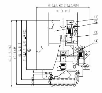
RTB404-12軌道安裝式接線端子外形尺寸:
以上信息由企業自行提供,信息內容的真實性、準確性和合法性由相關企業負責,中國傳動網對此不承擔任何保證責任。 溫馨提示:為規避購買風險,建議您在購買產品前務必確認供應商資質及產品質量。
推薦產品
更多+

























網站客服
粵公網安備 44030402000946號