三菱 E500系列變頻器(代理)
企業信息
同類優質產品
更多+
產品新聞
產品介紹
E500系列變頻器概述:
小型、高性能的FR-E500系列變頻器1Hz運行可達到150%高轉矩輸出。三菱電機將滑差補償結合到通用磁通矢量控制中,實現了1Hz時150%的轉矩輸出。即使在使用離線自動調整功能后的電機特性參數發生一些變化,仍能通過通用磁通矢量控制控制運行。
E500系列變頻器功率范圍:
0.4——7.5KW(三相380V FR-E540系列)
0.1——7.5KW(三相220V FR-E520系列)
0.4——2.2KW(單相220V FR-E520S系列)
E500系列變頻器特點:
·采用磁通矢量控制,實現1Hz運行150%轉矩輸出
·PID,15段速度等多功能選擇
·內置 RS485 通信口
·柔性 PWM,實現更低噪音運行
·可選FR-PA02-02簡易型面板或FR-PU04LCD顯示面板
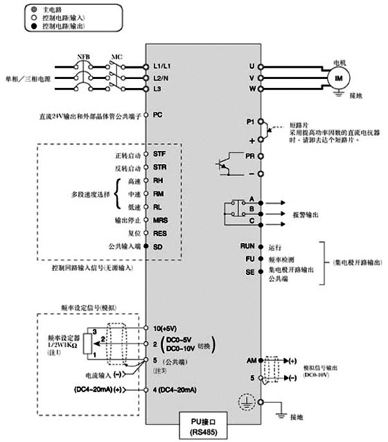
E500系列變頻器端子接線圖:
以上信息由企業自行提供,信息內容的真實性、準確性和合法性由相關企業負責,中國傳動網對此不承擔任何保證責任。 溫馨提示:為規避購買風險,建議您在購買產品前務必確認供應商資質及產品質量。
推薦產品
更多+































網站客服
粵公網安備 44030402000946號