亞儀 ZCS系列電磁閥
企業信息
同類優質產品
更多+
產品分類
產品新聞
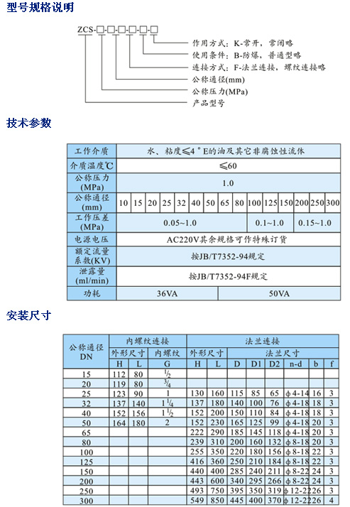
產品介紹
結構原理
本閥為膜片一次開閥的先導式電磁閥,其結構主要由副閥和主閥組成。根據斷電時所處狀態的不同,可分為常閉電磁閥和常開電磁閥。常閉電磁閥,常位時,活動鐵芯封住副閥口,閥腔內壓力平衡,副閥、主閥口封閉。當線圈通電,產生電磁力將活動鐵芯吸上,副閥打開,主閥腔內的介質自導閥口外泄,以致主閥膜片上下產生壓力差,膜片被迅速托起,主閥口開啟,閥呈通路狀態。當線圈斷電,磁場消失,活動鐵芯復位,封閉副閥口,繼而副閥膜片上腔壓力上升,主閥膜片壓向閥座,閥又呈關閉狀態。
常開電磁閥,當線圈通電時,產生磁場力,銜鐵在磁力作用下下移,推動副閥閥杯下移,副閥關閉。隨著主閥閥內上下壓差趨向相等,主閥膜片由彈簧及自重壓向密封閥門關閉。當線圈斷電后,磁力為零,銜鐵和副閥閥環由于彈簧作用上升,副閥打開,主閥膜片上腔內介質經副閥流走、壓力下降,當壓力降到一定值后,主閥由上下壓差作用向上升起,主閥打開,閥門開啟。
用途
本閥適用于以水或液體為工業介質,可自動化控制或遠程控制水、油、液體等工作介質管路的通斷。由于本閥采用橡膠密封,故對工作介質的清潔度大大降低,具有啟閉迅速,可靠性高等特點。
以上信息由企業自行提供,信息內容的真實性、準確性和合法性由相關企業負責,中國傳動網對此不承擔任何保證責任。 溫馨提示:為規避購買風險,建議您在購買產品前務必確認供應商資質及產品質量。
推薦產品
更多+






























網站客服
粵公網安備 44030402000946號