威海星佳 SGDH系列 40-80Amp調光交流固態繼電器
企業信息
同類優質產品
更多+
產品分類
產品新聞
產品介紹
SGDH系列調光用固態繼電器是威海星佳電子有限公司專為各種調光臺設計的專用固態繼電器,為單刀單擲—常開式。系采用高抗干擾光電耦合器輸入電路,雙SCR反并聯交流開關功率輸出電路組成,具有較高的dv/dt和di/dt和抗干擾能力。電子陶瓷絕緣片導熱性能好、絕緣性能高,使該產品的VISO≥2500V。先進的 “真空+充氫保護”焊接技術、SMT安裝工藝,使固態繼電器達到最佳的性能。
特點:
● 高達800伏以上的阻斷電壓,調光專用。
● 高性能,低成本設計。有三種不同電路設計的產品供用戶選擇。
● 高dV/dt設計,高抗干擾性能。
● 輸入/輸出絕緣2500V。
● 銅基板上“真空+氫氣保護”焊接技術。
● 采用雙SCR反并聯作為功率輸出元件,熱性能好,壽命長。
● 輸入控制電壓范圍:直流3-8伏、4-16伏和3-32V。
固態繼電器在使用時建議配用合適的散熱器和半導體專用的快速熔斷器,并在 散熱器和固態繼電器之間涂有導熱硅脂。
選擇指南:
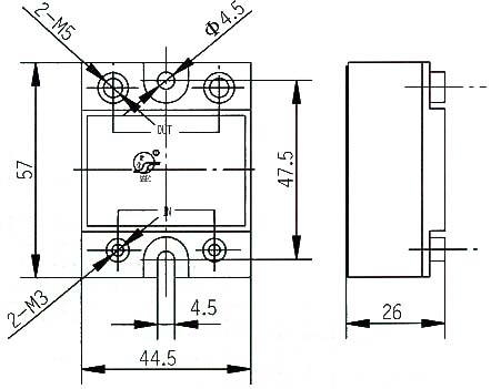
外觀尺寸圖:
外觀尺寸圖:
以上信息由企業自行提供,信息內容的真實性、準確性和合法性由相關企業負責,中國傳動網對此不承擔任何保證責任。 溫馨提示:為規避購買風險,建議您在購買產品前務必確認供應商資質及產品質量。
推薦產品
更多+




























網站客服
粵公網安備 44030402000946號