威海星佳 三相兩控 1-7KW 電動機正、反轉專用固態繼電器
企業信息
同類優質產品
更多+
產品分類
產品新聞
產品介紹
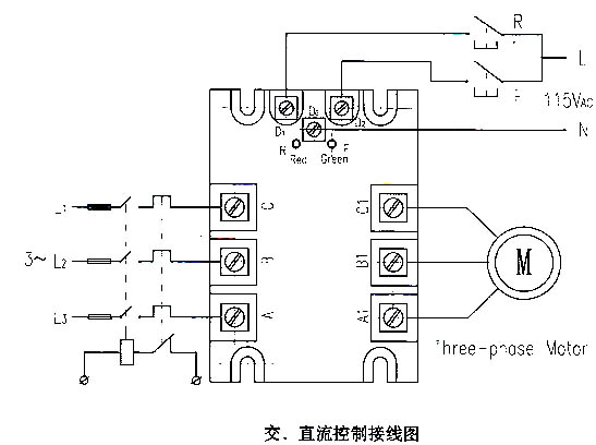
這是一種新型的三相電動機正反轉控制專用固態繼電器,可用來開關功率為7千瓦以內的三相感應電動機。內置的電子鎖電路可以有效的防止在同一時間內固態繼電器的正反轉開關同時導通,在接通一個轉向時誤接通另一個轉向,電動機停止轉動。LED發光二極管顯示三相電動機的轉向,綠色表示正轉,紅色表示反轉。輸出采用可控硅芯片反并聯技術和內置的壓敏電阻過電壓吸收回路,具有較高的過電壓承受能力,可靠性最佳。
有兩種規格選擇,三相兩控:兩個端子內接可控硅正反轉換相開關,另一個端子內部用短路線直通。三相三控:三個端子都內接可控硅開關,承受過電壓能力和抗干擾能力都好于三相兩控,可靠型高。
固態繼電器在使用時建議配用合適的散熱器和半導體專用的快速熔斷器,并在散熱器上安裝溫度限制用的溫控開關。
特點:
●專有技術,國內首創。
●專用于三相感應電動機的正反轉控制,功率可達7千瓦。
●高達1400伏以上的阻斷電壓,可使用在530伏交流電路里。
●dV/dt>500 V/nS
●內置的輸入電子互鎖功能。
●LED輸入顯示。
●輸入/輸出絕緣2500V。
●銅基板上“真空+氫氣保護”焊接芯片的技術。
●輸入控制電壓范圍:直流10~30伏。
●采用雙SCR反并聯作為功率輸出元件,熱性能好,壽命長。
選擇指南:
接線圖:
接線圖:
以上信息由企業自行提供,信息內容的真實性、準確性和合法性由相關企業負責,中國傳動網對此不承擔任何保證責任。 溫馨提示:為規避購買風險,建議您在購買產品前務必確認供應商資質及產品質量。
推薦產品
更多+




























網站客服
粵公網安備 44030402000946號