威海星佳 SGT系列 200-550A/480V三相固態繼電器
企業信息
同類優質產品
更多+
產品分類
產品新聞
產品介紹
SGTH系列電流200-550安固態繼電器系威海星佳電子有限公司生產的大功率三相交流固態繼電器,為三刀單擲—常開式。電壓可達530伏,其輸入控制為直流電壓控制。輸出采用可控硅芯片反并聯技術和內置的壓敏電阻過電壓吸收回路,具有較高的dv/dt和過電壓承受能力,熱性能好,壽命長。此外,先進的可控硅芯片焊接在陶瓷基片上的“真空+充氫保護”焊接技術,可使固態繼電器達到最佳的可靠性。
固態繼電器在使用時建議配用合適的散熱器和半導體專用的快速熔斷器,并在散熱器和固態繼電器之間涂有導熱硅脂。
特點:
● 大功率,高電流。
● 高達1400伏以上的阻斷電壓,可使用在530伏交流電路里。
● 高性能DCB設計,熱性能好,壽命長。
● 采用雙SCR反并聯作為功率輸出元件,高dV/dt,適用于感性負載。
● 輸入/輸出絕緣2500V。
● 銅基板上“真空+氫氣保護”焊接芯片的技術。
● 輸入控制電壓范圍:直流3-32伏或交流90-250伏。
● LED輸入顯示。
選擇指南:
分類與命名:
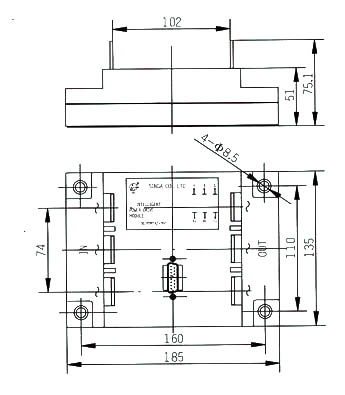
外觀尺寸圖:
分類與命名:
外觀尺寸圖:
以上信息由企業自行提供,信息內容的真實性、準確性和合法性由相關企業負責,中國傳動網對此不承擔任何保證責任。 溫馨提示:為規避購買風險,建議您在購買產品前務必確認供應商資質及產品質量。
推薦產品
更多+




























網站客服
粵公網安備 44030402000946號