威海星佳 SGD系列 10-40Amp 交流固態繼電器
企業信息
同類優質產品
更多+
產品分類
產品新聞
產品介紹
說明:
SGD系列固態繼電器系威海星佳電子有限公司生產的中功率單相交流固態繼電器,為單刀單擲—常開式。輸入采用直流控制型式,輸出端由雙相可控硅交流開關組成,開關型式分為過零導通型和隨機導通型。
固態繼電器在使用時建議配用合適的散熱器和半導體專用的快速熔斷器,并在散熱器和固態繼電器之間涂有導熱硅脂。
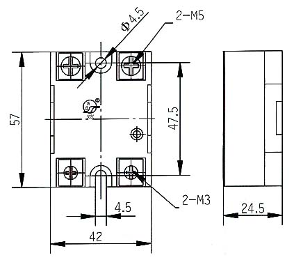
安裝尺寸圖:
選擇指南:
選擇指南:
以上信息由企業自行提供,信息內容的真實性、準確性和合法性由相關企業負責,中國傳動網對此不承擔任何保證責任。 溫馨提示:為規避購買風險,建議您在購買產品前務必確認供應商資質及產品質量。
推薦產品
更多+




























網站客服
粵公網安備 44030402000946號