東亞 EC20 旋轉式編碼器
企業信息
同類優質產品
更多+
產品分類
產品新聞
產品介紹
詳細說明
1、編碼器英文“ENCODER”的縮寫。
2、產品型號(按外形尺寸分類),“20”表示20系列。
3、“P”表示脈行,“10”表示脈行數。
觸點形式
分辨率和輸出信號
*脈行數/360° 10
*定位數 20
*輸出信號情況, 順時針方向 A signal
B signal
逆時針方向 A signal
B signal
機械性能
*定位點出脫加矩 40~80 gf.cm
*軸柄推拉強度
*旋轉壽命 50000 Cysles
電氣性能
*額定值 5V D.C,1mA
*絕緣電組 50V D.C,100MΩ
*耐壓 50VAC
線圈參數
推動開關部份規格
*額定容量 D.C 16V 2A
*接觸電阻 剛開始時小于200mΩ,到使用壽命結束時小于300mΩ
*絕緣電阻 250V D.C,100MΩ
*開關類型及接點數 單極單擲(按壓“通”)
*按壓開關動作力 600±300gf
*按壓開關移動量 0.5±0.2mm
*操作壽命 100000 Cycles min
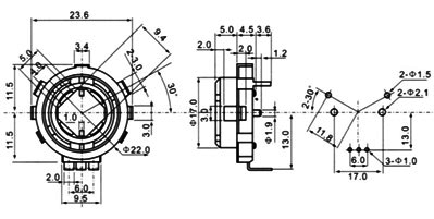
安裝控位圖
以上信息由企業自行提供,信息內容的真實性、準確性和合法性由相關企業負責,中國傳動網對此不承擔任何保證責任。 溫馨提示:為規避購買風險,建議您在購買產品前務必確認供應商資質及產品質量。
推薦產品
更多+




























網站客服
粵公網安備 44030402000946號