航天電子 J27印制電路連接器
企業信息
同類優質產品
更多+
產品分類
產品新聞
產品介紹
J27系列產品適用于航天、航空等軍用電子設備、計算機內印制電路板之間、印制電路板與電纜之間以及電纜與電纜之間的電連接。具有體積小、重量輕、接觸件密集度高、連接可靠性高等特點。雙曲形雙片簧結構插孔保證接觸可靠,接觸電阻穩定,插拔壽命高,適應惡劣環境。定位導向裝置具有36種方位組合,防同規格同品種的誤插合。本系列產品有鎖緊裝置品種,防松脫。插針、插孔為可拆卸式安裝。軍標產品符合國軍標GJB1438的要求。
本系列產品有30、45、60、75、96、105、120、135、150、165、180、195、210、225、240線等十五種規格。根據環境等級,該系列產品可分為普通級、I級和II級。其中I級、II級產品執行RY3.644.003JT標準;普通級產品執行Q/450300RYL2301-90標準。
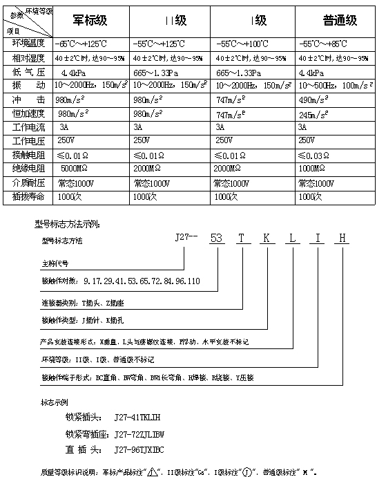
使用環境等級表
主要環境條件及技術指標:
以上信息由企業自行提供,信息內容的真實性、準確性和合法性由相關企業負責,中國傳動網對此不承擔任何保證責任。 溫馨提示:為規避購買風險,建議您在購買產品前務必確認供應商資質及產品質量。
推薦產品
更多+
航天電子 J27S系列(






























網站客服
粵公網安備 44030402000946號