天佳 TB2-EW8465按鈕指示燈
企業信息
同類優質產品
更多+
產品分類
產品新聞
產品介紹
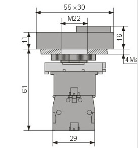
結構圖
電壓電流及代碼對照表
◎ 正常工作條件
1、周圍空氣溫度為-5℃~+40℃,24小時內其平均值不超過+35℃。
2、海拔高度:安裝地點的海拔不超過2000m。
3、大氣條件:最高溫度為+40℃時,空氣的相對濕度不超過50%,在較低的溫度下可以允許有較高的相對濕度,例如+20℃時達90%。對由于溫度變化偶爾產生的凝露應采取特殊的措施。
4、污染等級:3級
5、安裝類別:Ⅱ類
◎ 結構與性能
1、金屬式按鈕采用防竄動操作頭,按鈕不能 從正面拆下;
2、所有觸點都有切換電路和自潔的雙重作用,在低電壓和小電流(5V,5mA)使用中仍然能保證接觸的可靠性;
3、常開與常閉接觸組互相獨立,使用時可按需要進行組合,便于更換;
4、隱蔽式接線端子,更加安全可靠。金屬頭式按鈕操作頭及其基座采用鋅鋁合金,外型美觀,堅固;
5、帶燈按鈕及信號燈統一采用BA9s燈座,可按需要選用不同燈源。
電壓電流及代碼對照表
◎ 正常工作條件
1、周圍空氣溫度為-5℃~+40℃,24小時內其平均值不超過+35℃。
2、海拔高度:安裝地點的海拔不超過2000m。
3、大氣條件:最高溫度為+40℃時,空氣的相對濕度不超過50%,在較低的溫度下可以允許有較高的相對濕度,例如+20℃時達90%。對由于溫度變化偶爾產生的凝露應采取特殊的措施。
4、污染等級:3級
5、安裝類別:Ⅱ類
◎ 結構與性能
1、金屬式按鈕采用防竄動操作頭,按鈕不能 從正面拆下;
2、所有觸點都有切換電路和自潔的雙重作用,在低電壓和小電流(5V,5mA)使用中仍然能保證接觸的可靠性;
3、常開與常閉接觸組互相獨立,使用時可按需要進行組合,便于更換;
4、隱蔽式接線端子,更加安全可靠。金屬頭式按鈕操作頭及其基座采用鋅鋁合金,外型美觀,堅固;
5、帶燈按鈕及信號燈統一采用BA9s燈座,可按需要選用不同燈源。
以上信息由企業自行提供,信息內容的真實性、準確性和合法性由相關企業負責,中國傳動網對此不承擔任何保證責任。 溫馨提示:為規避購買風險,建議您在購買產品前務必確認供應商資質及產品質量。
推薦產品
更多+































網站客服
粵公網安備 44030402000946號