西安西普 PI168系列變頻調速器
企業信息
同類優質產品
更多+
產品新聞
產品介紹
產品特點:
1.技術先進品質可靠
PI168變頻器采用16位變頻專用單片機結合現代控制理論。控制模式采用先進的空間電壓矢量控制技術,并采用表面貼片生產工藝。保證了其高科技及高可靠性的特點。
2.顯著的節能效果
取代傳統的閥們調節,針對風機、泵類負載,節能效果可達30-60%。
3.轉矩自動提升功能
可保證低頻大轉矩輸出
4.內置PID
對F系列內置PID功能,無需外部調節,即可實現閉環運行。
5. 完善的保護功能
具有完善的保護及故障自診,確保其安全可靠運行。
6. 通訊接口
具有RS-485接口,通訊控制更方便。
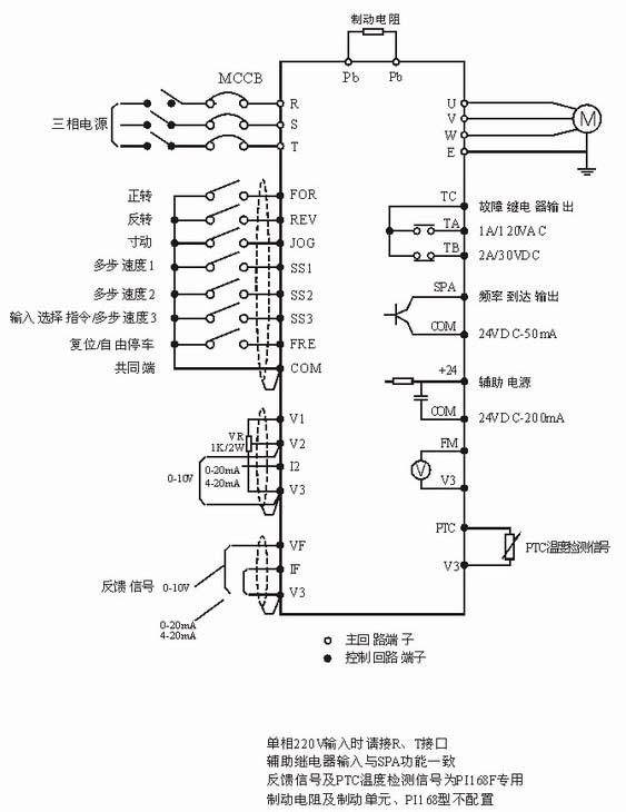
基本接線圖:
以上信息由企業自行提供,信息內容的真實性、準確性和合法性由相關企業負責,中國傳動網對此不承擔任何保證責任。 溫馨提示:為規避購買風險,建議您在購買產品前務必確認供應商資質及產品質量。
推薦產品
更多+






























網站客服
粵公網安備 44030402000946號