伊尼威利 EW-310雙級溫度控制器
企業信息
同類優質產品
更多+
產品分類
產品新聞
產品介紹
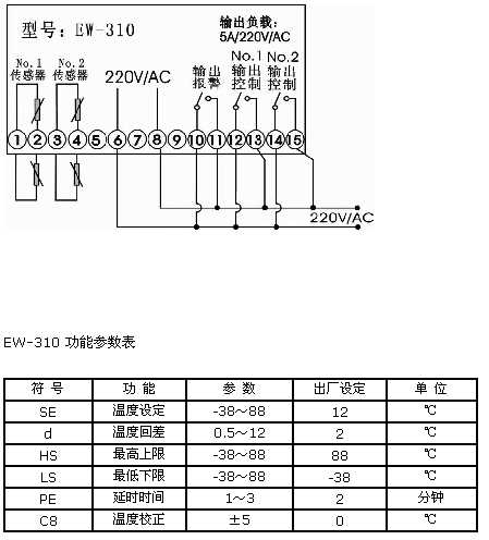
技術參數與功能特點:
主要應用于在一拖二的機組控制和多級式系統控制;操作簡單、控溫穩定、精度高;抗干擾特強;帶超高/低溫、傳感器出錯報警。
輸入信號:兩路傳感器
輸出控制:兩路控溫、一路報警輸出
工作電壓:AC220V ±10% 50Hz
工作環境:-20~60℃ 85%RH無結露、無腐蝕性氣體的場所
功 耗:≤3W
輸出負載:5A/220VAC
控溫范圍: -38.0~87.5℃
分 辨 率:0.1℃ 精確度:±0.5℃
規格尺寸:
整機尺寸:100(寬)×51(高)×84(深)mm
開孔尺寸:92(寬)×44(高)mm
以上信息由企業自行提供,信息內容的真實性、準確性和合法性由相關企業負責,中國傳動網對此不承擔任何保證責任。 溫馨提示:為規避購買風險,建議您在購買產品前務必確認供應商資質及產品質量。
推薦產品
更多+
伊尼威利 雙級溫度控





























網站客服
粵公網安備 44030402000946號