科林 浮球型窺視孔
企業信息
同類優質產品
更多+
產品分類
產品新聞
產品介紹
特 點
通過浮球的位置與狀態,可明顯地觀測到液位和液體流速的大小,可垂直或水平安裝。
用 途
我公司生產的浮球型窺視孔是按照日本技術加工生產的,主要應用于石油、化工、醫藥及其它工業設備的窺視裝置中,是用于觀察流體的液位和流速的儀表。
主要技術參數
SCF10B 1.0 0~200 25、1Gr18Ni9Ti JB/T81-94
SCF16B 1.6 0~200 25、1Gr18Ni9Ti JB/T81-94
SCF25B 2.5 0~200 25、1Gr18Ni9Ti JB/T81-94
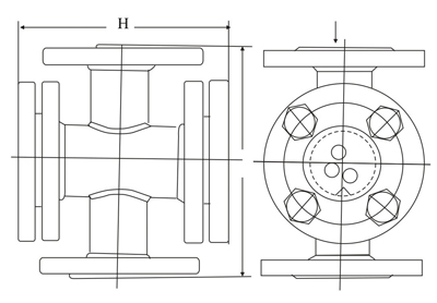
結構及尺寸
以上信息由企業自行提供,信息內容的真實性、準確性和合法性由相關企業負責,中國傳動網對此不承擔任何保證責任。 溫馨提示:為規避購買風險,建議您在購買產品前務必確認供應商資質及產品質量。
推薦產品
更多+




























網站客服
粵公網安備 44030402000946號