恒納 KP2500A可控硅
企業信息
同類優質產品
更多+
產品分類
產品新聞
產品介紹
公司主要產品有KS、KP、KK可控硅系列。ZP、ZK整流管系列,SSR固體繼電器系列,MTC、MDC、MFC、MDS、MTS電力模塊、整流橋系列,這些產品被廣泛應用在電力、冶金、石化等方面。國內享有很高的知名度。CJW1-200~500N型可控硅交流柜。KGPS系列中頻裝置,在省內外得到廣泛應用,也受到眾多用戶好評。
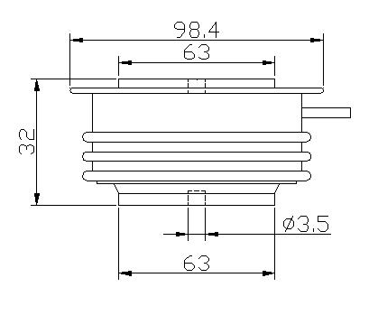
[ALIGN=CENTER]外型尺寸圖
[/ALIGN]
以上信息由企業自行提供,信息內容的真實性、準確性和合法性由相關企業負責,中國傳動網對此不承擔任何保證責任。 溫馨提示:為規避購買風險,建議您在購買產品前務必確認供應商資質及產品質量。
推薦產品
更多+
DBC-112可控硅 靜態綜
進口特殊規格系列三相
提供電爐專用JK零位可
臺灣W750AC交流電力調
現貨臺灣積奇JK單相感
臺灣JK積奇單相SCR控


































網站客服
粵公網安備 44030402000946號