華宇 電流/電壓變送轉換模塊
企業信息
同類優質產品
更多+
產品分類
產品新聞
產品介紹
是一種小型化插裝式結構的轉換模塊,其具有工作電源、輸入信號、輸出信號三者相互隔離,能將輸入的交流電壓或交流電流轉換成(4~20)mA或(1~5)V標準信號輸出,具有精度高,線性好,調試簡單、工作穩定可靠等特點,適用于電量參數的顯示、記錄、DCS系統的監控等場合。
電流/電壓隔離轉換模塊 是一種小型化插裝式結構的轉換模塊,其具有工作電源、輸入信號、輸出信號三者相互隔離,能將輸入的交流電壓或交流電流轉換成(4~20)mA或(1~5)V標準信號輸出,具有精度高,線性好,調試簡單、工作穩定可靠等特點,適用于電量參數的顯示、記錄、DCS系統的監控等場合。
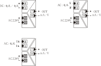
模塊面板端子示意圖
模塊接線端子示意圖
模塊接線端子示意圖
以上信息由企業自行提供,信息內容的真實性、準確性和合法性由相關企業負責,中國傳動網對此不承擔任何保證責任。 溫馨提示:為規避購買風險,建議您在購買產品前務必確認供應商資質及產品質量。
推薦產品
更多+
全數字化VF變換器電壓
RS485轉PROFIBUS-DP網
UART/SPI轉CAN協議轉
新型JUMPFLEX ?為電子
C-7520A RS-232轉RS-4
C-7520 RS-232轉485轉































網站客服
粵公網安備 44030402000946號