KA系列光柵尺
企業信息
同類優質產品
更多+
產品分類
產品新聞
產品介紹
型號:NC系列
KA-300NC
KA-500NC
KA-600NC
KA-300NC,KA-600NC及KA-500NC是最新推出數控機床反饋檢測光柵尺,外型尺寸與KA-300、KA-600、KA-500基本一樣,它是按工業標準EIA-422-A進行信號輸出,分辨率在0.001mm,最大移動速度2.3m/s,供應電壓DC5V,廣泛應用在全閉環的數控機床上,能達到以上技術指標的光柵尺在國內還是首次推出。
———————————————————————————————————————————————
型號:KA系列
KA-300
KA-500
KA-600
KA-700
KA-900
其中KA-300是用量最多的標準尺(TTL水平),KA-500為超小型薄尺(20x18mm),代表當今中國高水平,為一些位置限窄的地方及專用測量儀器的安裝提供方便,KA-700是一種專為油壓系統及位置極難安裝而最新設計的產品,它的出現,將拓寬數顯裝置的使用范圍。
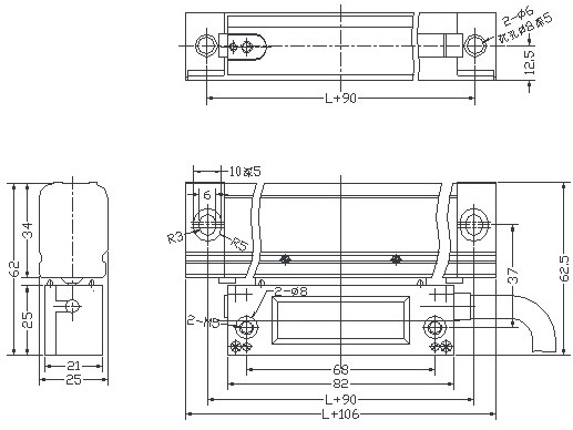
KA-300光柵外形與安裝尺寸
KA-300安裝尺罩結構圖
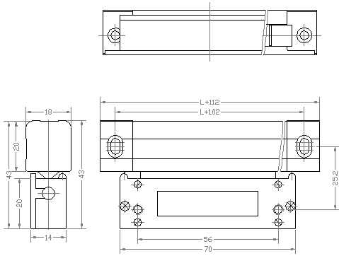
KA-500光柵外形與安裝尺寸
KA-500安裝尺罩結構圖
KA-600光柵外形與安裝尺寸
KA-700光柵外形與安裝尺寸
KA-900光柵外形與安裝尺寸
[B]通用系列輸出格式圖
———————————————————————————————————————————————
型號:KA系列
KA-300
KA-500
KA-600
KA-700
KA-900
其中KA-300是用量最多的標準尺(TTL水平),KA-500為超小型薄尺(20x18mm),代表當今中國高水平,為一些位置限窄的地方及專用測量儀器的安裝提供方便,KA-700是一種專為油壓系統及位置極難安裝而最新設計的產品,它的出現,將拓寬數顯裝置的使用范圍。
KA-300光柵外形與安裝尺寸








以上信息由企業自行提供,信息內容的真實性、準確性和合法性由相關企業負責,中國傳動網對此不承擔任何保證責任。 溫馨提示:為規避購買風險,建議您在購買產品前務必確認供應商資質及產品質量。
推薦產品
更多+
禹衡 SGC-2 光柵尺
禹衡 SGC-5 光柵尺
禹衡 SGC-4.2 光柵尺
禹衡 SGC-6 光柵尺
禹衡 SXL 高度計 光柵
海德漢 LC 100系列 標





































網站客服
粵公網安備 44030402000946號