海頓 近零傳感器
企業信息
同類優質產品
更多+
產品分類
產品新聞
產品介紹
HLM提供微型的霍耳效應傳感器,可以監測永磁式直線步進電機的原點位置。
這種傳感器采用了一個霍耳效應裝置,它會對安裝在導螺桿尾部的一個衡土磁鋼產生感應。這個傳感器尺寸緊湊,可以用于安裝位置狹小的應用。
這種傳感器的循環壽命幾乎是無限的。也可以提供模擬方式的特殊引導線和接收器。
HLM原點接近傳感器和其他產品是由我們的技術團隊開發設計的,我們的技術團隊能夠給客戶提供全面的技術支持和應用幫助。
工作特性
[IMG=海頓 近零傳感器 工作特性]/uploadpic/news/2007/3/20070316111141669355.jpg[/IMG]
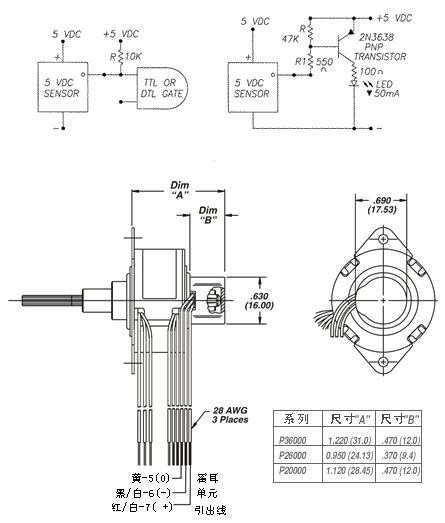
建議電氣接口:
注:感應器由<<電氣電子零件·組件與設備靜電放電防護控制大綱>>規定有二種靜電放電靈敏度。安裝作業時,應確定感應器傳導良好和操作接地。
[IMG=海頓 近零傳感器 結構及安裝圖]/uploadpic/news/2007/3/2007031611122596862J.jpg[/IMG]
以上信息由企業自行提供,信息內容的真實性、準確性和合法性由相關企業負責,中國傳動網對此不承擔任何保證責任。 溫馨提示:為規避購買風險,建議您在購買產品前務必確認供應商資質及產品質量。
推薦產品
更多+































網站客服
粵公網安備 44030402000946號