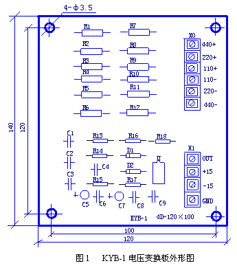
KYB-1電壓變換板
企業信息
同類優質產品
更多+
產品分類
產品新聞
產品介紹
1.概述
電壓變換板主要用于將主電路的直流高壓變換成控制板所需的電壓反饋信號,電壓變換板由高阻輸入網絡及差模運算放大器組成,所需工作電源可由觸發板提供,使用時將X0接線端子的正負端直接接到主電路。
2.主要技術參數
(1) 輸入額定電壓:DC:440V,220V,110V。
(2) 最大輸出電壓:8V。
(3) 工作電源:±15V/20mA。
(4) 最大外形尺寸:140×120×30(mm3)請參考圖1。

以上信息由企業自行提供,信息內容的真實性、準確性和合法性由相關企業負責,中國傳動網對此不承擔任何保證責任。 溫馨提示:為規避購買風險,建議您在購買產品前務必確認供應商資質及產品質量。
推薦產品
更多+























網站客服
粵公網安備 44030402000946號