YWM-LI□ 直流漏電流變送器
企業信息
同類優質產品
更多+
產品分類
產品新聞
產品介紹
一、 概述
直流漏電流變送器是采用磁調制原理實現直流小電流的非接觸測量,具有穩定性好、絕緣度高、安裝方便等特點。
二、要技術指標
a) 型號及參數:
型 號
輸 入
輸 出
精度等級
YWM-LI10
0~±10mA
0~±5V
2.0
YWM-LI20
0~±20mA
0~±5V
2.0
YWM-LI50
0~±50mA
0~±5V
2.0
YWM-LI100
0~±100mA
0~±5V
2.0
YWM-LI200
0~±200mA
0~±5V
2.0
b) 輔助電源: DC ±12V~±15V
d) 輸出負載: RL≥2kW
e) 靜態功耗: ≤500mW
f) 響應時間: 200ms
g) 絕緣耐壓: 輸入與輸出、電源間AC 3000V/min
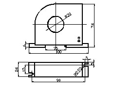
h) 開孔孔徑: Ф30mm
i) 外型尺寸: 100mm×24mm×74mm
j) 工作環境: 溫度:-10~50℃ 濕度:10~90%(無凝露)
j) 貯藏條件: 溫度:-40~70℃ 濕度:10~95%(無凝露)
三、外形圖
四、接線圖
五、安裝
采用DIN導軌和螺釘兩種安裝方式,導軌寬度為35mm。螺釘大小為M4×12 。
六、注意事項
1. 傳感器在出廠前已按用戶需求調節好,無需再調節。
2. 初次上電時,若輸出有微小偏差,無需調整。約30分鐘后輸出能自動歸零。若長時間關機后重新開機,要有上述過程。
四、接線圖
五、安裝
采用DIN導軌和螺釘兩種安裝方式,導軌寬度為35mm。螺釘大小為M4×12 。
六、注意事項
1. 傳感器在出廠前已按用戶需求調節好,無需再調節。
2. 初次上電時,若輸出有微小偏差,無需調整。約30分鐘后輸出能自動歸零。若長時間關機后重新開機,要有上述過程。
以上信息由企業自行提供,信息內容的真實性、準確性和合法性由相關企業負責,中國傳動網對此不承擔任何保證責任。 溫馨提示:為規避購買風險,建議您在購買產品前務必確認供應商資質及產品質量。
推薦產品
更多+
晟思特電子科技(SST
HUBA540系列富巴壓力
國科GK-RZF型一體化溫
FMS EMGZ 310 系列數
瑞士FMS張力傳感器 RM
FMS CR212 軸徑式張
































網站客服
粵公網安備 44030402000946號