SRM116-01 繼電器模塊
企業信息
同類優質產品
更多+
產品分類
產品新聞
產品介紹
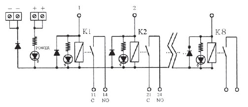
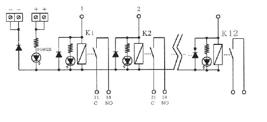
·歐巨電子秉持多年應用歐規繼電器的實務經驗,特別設計各種控制應用需求,生產RM繼電器模塊,提升配線方便性和安全性,達到國際質量水平
·歐巨RM系列繼電器模塊產品,符合規范要求
·特別設計可接受AV/DC電源和正負電輸入,使用方便,應用廣泛
·訊號輸入可選用接線端子(-01)、IDC連接器(-02)、FUJTSU連接器(-03)和SUB-D連接器(-04),可適合各種設計應用
·元器件采用美國IDC連接器、臺灣町洋端子臺、奧地利、日本繼電器,品質符合工業要求。


以上信息由企業自行提供,信息內容的真實性、準確性和合法性由相關企業負責,中國傳動網對此不承擔任何保證責任。 溫馨提示:為規避購買風險,建議您在購買產品前務必確認供應商資質及產品質量。
推薦產品
更多+
萬可全新接插式繼電器
C-7068D 8路A型電磁繼
C-7065D 4路隔離數字
C-7060D 4路隔離數字
凱昆 RXT-F01/Q01 繼
凱昆 RXT-F01/Q01繼電


































網站客服
粵公網安備 44030402000946號