柵欄式接線端子 BTB653-05
企業信息
同類優質產品
更多+
產品分類
產品新聞
產品介紹
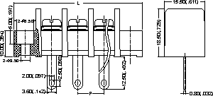
技術參數 值(范圍)
進線方式 與PCB平行
間距 10.00(.394) 單位:mm(in.)
電線規格 12-22AWG
最大扭力 10lb-in.
塑膠本體 PBT,UL94,V-0 Self Extinguishing
螺釘 M4,鋼,鍍鎳
線保護體 鋼,鍍鋅
端子 黃銅,鍍錫
使用溫度 -40oC - +105oC
瞬時溫度 260oC,+500o
額定負載 300V,20A
脈沖耐電壓 AC2,000V,延時1分鐘
以上信息由企業自行提供,信息內容的真實性、準確性和合法性由相關企業負責,中國傳動網對此不承擔任何保證責任。 溫馨提示:為規避購買風險,建議您在購買產品前務必確認供應商資質及產品質量。
推薦產品
更多+
町洋dinkle接線端子連
臺灣町洋螺絲式接線端
町洋DPP2.5(直插式)雙
町洋DP系列(直插式)單
萬可 大功率PCB接線端
WAGO 萬可 PCB 接線端

































網站客服
粵公網安備 44030402000946號