華晨 245SN15 印制繞組直流伺服電動機
企業信息
同類優質產品
更多+
產品分類
產品新聞
產品介紹
產品參數
型號Type 245SN15
額定功率Rated Power(W) 1500
額定轉速Rated Speed (rpm) 3000
額定轉距Rated Torque (N.cm) 480
額定電流Rated Current (A) 10.4
額定電壓Rated Voltage (V) 174
最高轉速max Speed(rpm) 5000
減速比Ratio
重量Weight (kg)
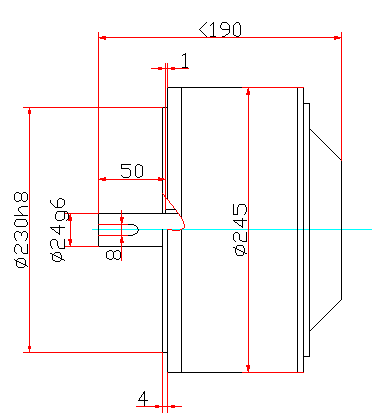
產品結構圖


以上信息由企業自行提供,信息內容的真實性、準確性和合法性由相關企業負責,中國傳動網對此不承擔任何保證責任。 溫馨提示:為規避購買風險,建議您在購買產品前務必確認供應商資質及產品質量。
推薦產品
更多+
華晨 9FG/50:1減速器
華晨 70SN01印制繞組
華晨 110SN-J02 減速
華晨 12FG/15:1減速器
華晨 110SN-J01減速器
華晨 9FG/100:1減速器





























網站客服
粵公網安備 44030402000946號